首页
关于我们
企业简介
企业荣誉
发展历程
社会责任
产品中心
环网柜产品
柱上开关产品
低压产品
中压产品
附件产品
研发智造
技术研发
智能智造
人力资源
用人理念
人才战略
校园招聘
社会招聘
新闻动态
行业新闻
公司新闻
企业文化
品牌释义
理念诠释
员工要求
营销服务
联系我们
销售网络
售后服务
留言板
首页
关于我们
企业简介
企业荣誉
发展历程
社会责任
产品中心
环网柜产品
柱上开关产品
低压产品
中压产品
附件产品
研发智造
技术研发
智能智造
人力资源
用人理念
人才战略
校园招聘
社会招聘
新闻动态
行业新闻
公司新闻
企业文化
品牌释义
理念诠释
员工要求
营销服务
联系我们
销售网络
售后服务
留言板
0577-86269918
0577-86269918
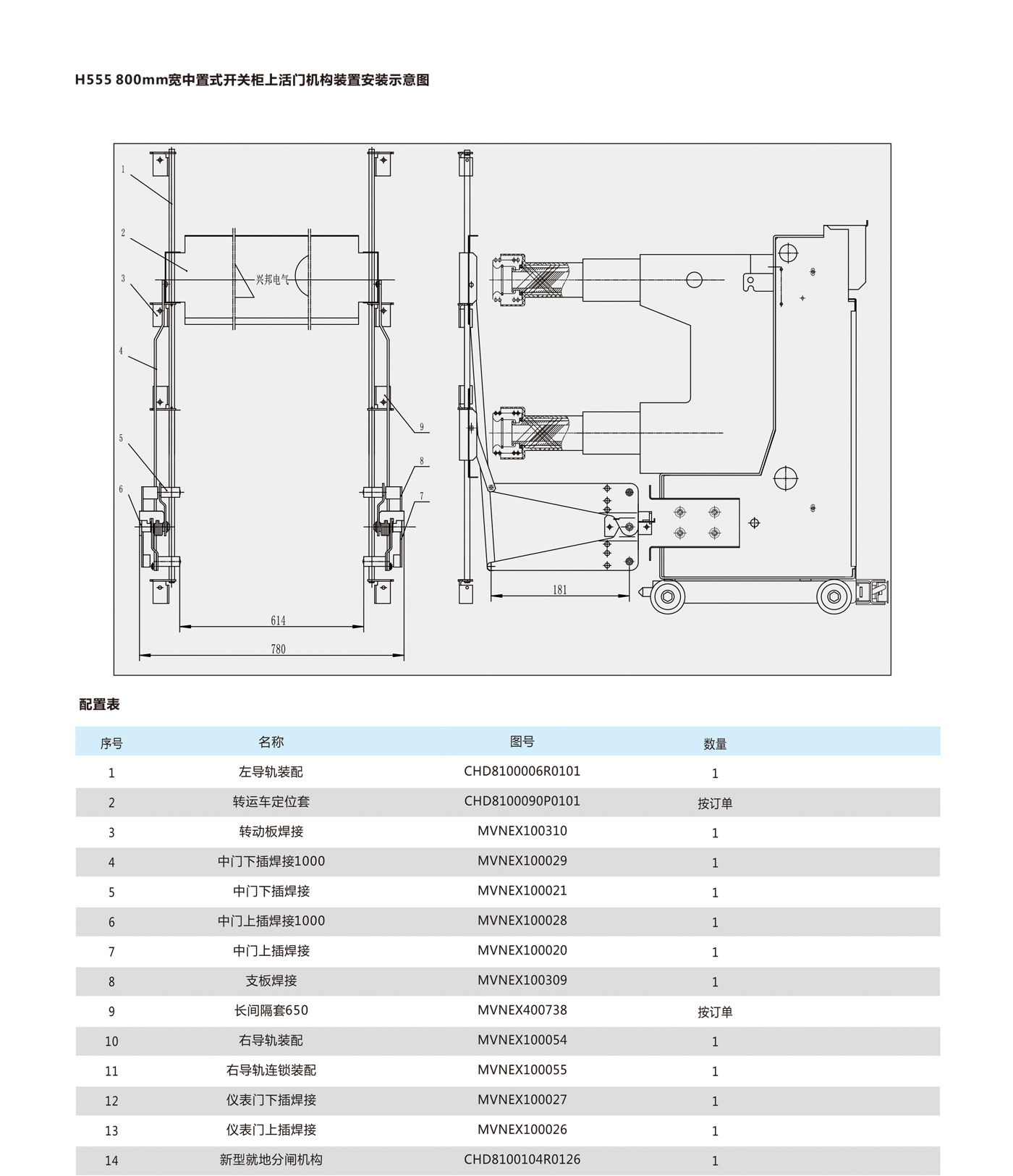
XBMV-12KV活门机构装置配套件
现在所在位置:
首页 >
产品中心 >
XBMV-12KV >
XBMV-12KV活门机构装置配套件
性能参数
其
他
产
品
XBMV-12KV
收起
XBMV-12KV活门机构装置配套件
在线留言
我们将会竭诚为您服务